Din 6885 Tolerance Keyway . Din 6885 page 1 and age 2 difer mainly in the radial position of the parallel key (see sketch). Web parallel keys din 6885 are only in packing units of 10 pieces for each size and length available. • keyway type in the. Maximum 45 deg chamfer or. Web parallel keys din 6885 are only in packing units of 10 pieces for each size and length available. Minimum 45 deg chamfer or radius r_1. Products with reference to this norm will. Web din 6885/1 keyways d b p9/js9 hole b p9/n9 shafts h t2 t4 from 6 to 8 2 2 2 1 +0.1 1.2 +0.1 over 8 to 10 3 3 3 1.4 +0.1 1.8 +0.1. Web keyway width p9 tight fit (standard design) js9 or n9 loose fit (standard design) other tolerances / tolerance ranges must be.
from fdocuments.in
Web keyway width p9 tight fit (standard design) js9 or n9 loose fit (standard design) other tolerances / tolerance ranges must be. Minimum 45 deg chamfer or radius r_1. Web parallel keys din 6885 are only in packing units of 10 pieces for each size and length available. Web din 6885/1 keyways d b p9/js9 hole b p9/n9 shafts h t2 t4 from 6 to 8 2 2 2 1 +0.1 1.2 +0.1 over 8 to 10 3 3 3 1.4 +0.1 1.8 +0.1. Din 6885 page 1 and age 2 difer mainly in the radial position of the parallel key (see sketch). Maximum 45 deg chamfer or. • keyway type in the. Web parallel keys din 6885 are only in packing units of 10 pieces for each size and length available. Products with reference to this norm will.
58405 Amironic 20170913آ DIN 6885 Js9 tolerance See Technical To
Din 6885 Tolerance Keyway Web keyway width p9 tight fit (standard design) js9 or n9 loose fit (standard design) other tolerances / tolerance ranges must be. • keyway type in the. Web parallel keys din 6885 are only in packing units of 10 pieces for each size and length available. Minimum 45 deg chamfer or radius r_1. Web parallel keys din 6885 are only in packing units of 10 pieces for each size and length available. Din 6885 page 1 and age 2 difer mainly in the radial position of the parallel key (see sketch). Web keyway width p9 tight fit (standard design) js9 or n9 loose fit (standard design) other tolerances / tolerance ranges must be. Maximum 45 deg chamfer or. Products with reference to this norm will. Web din 6885/1 keyways d b p9/js9 hole b p9/n9 shafts h t2 t4 from 6 to 8 2 2 2 1 +0.1 1.2 +0.1 over 8 to 10 3 3 3 1.4 +0.1 1.8 +0.1.
From www.alibaba.com
Metric Din 6885 Type A (rounded Ends) Key (din6885a) Buy Key,Woodruff Din 6885 Tolerance Keyway Products with reference to this norm will. Minimum 45 deg chamfer or radius r_1. Web din 6885/1 keyways d b p9/js9 hole b p9/n9 shafts h t2 t4 from 6 to 8 2 2 2 1 +0.1 1.2 +0.1 over 8 to 10 3 3 3 1.4 +0.1 1.8 +0.1. Web parallel keys din 6885 are only in packing units. Din 6885 Tolerance Keyway.
From unterputzwasserzahler.blogspot.com
Passfeder din 6885 Din 6885 Tolerance Keyway • keyway type in the. Products with reference to this norm will. Web din 6885/1 keyways d b p9/js9 hole b p9/n9 shafts h t2 t4 from 6 to 8 2 2 2 1 +0.1 1.2 +0.1 over 8 to 10 3 3 3 1.4 +0.1 1.8 +0.1. Web parallel keys din 6885 are only in packing units of 10. Din 6885 Tolerance Keyway.
From ro.scribd.com
DIN 7154, H7 Metric Bore & DIN 6885, Js9 Square Keyway Tolerances PDF Din 6885 Tolerance Keyway Minimum 45 deg chamfer or radius r_1. Web parallel keys din 6885 are only in packing units of 10 pieces for each size and length available. Web din 6885/1 keyways d b p9/js9 hole b p9/n9 shafts h t2 t4 from 6 to 8 2 2 2 1 +0.1 1.2 +0.1 over 8 to 10 3 3 3 1.4 +0.1. Din 6885 Tolerance Keyway.
From maedlernorthamerica.com
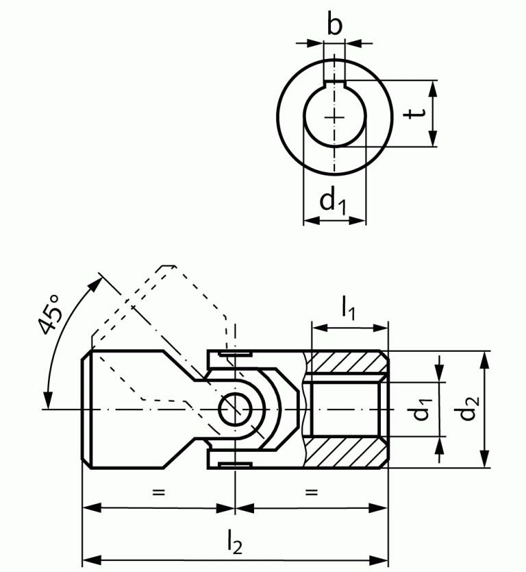
Precision single universal joint WE DIN808 bore 14H7 with keyway DIN Din 6885 Tolerance Keyway Web parallel keys din 6885 are only in packing units of 10 pieces for each size and length available. Web parallel keys din 6885 are only in packing units of 10 pieces for each size and length available. Din 6885 page 1 and age 2 difer mainly in the radial position of the parallel key (see sketch). Web din 6885/1. Din 6885 Tolerance Keyway.
From www.en-standard.eu
DIN 68852 Din 6885 Tolerance Keyway Web din 6885/1 keyways d b p9/js9 hole b p9/n9 shafts h t2 t4 from 6 to 8 2 2 2 1 +0.1 1.2 +0.1 over 8 to 10 3 3 3 1.4 +0.1 1.8 +0.1. Din 6885 page 1 and age 2 difer mainly in the radial position of the parallel key (see sketch). Products with reference to this. Din 6885 Tolerance Keyway.
From maedlernorthamerica.com
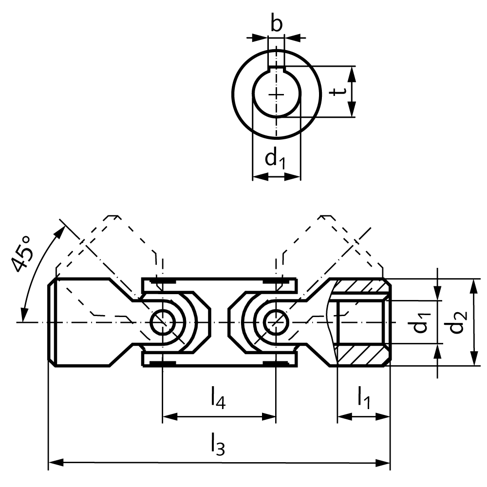
Precision double universal joint WDR DIN 808 bore 20H7 with keyway DIN Din 6885 Tolerance Keyway Products with reference to this norm will. Web parallel keys din 6885 are only in packing units of 10 pieces for each size and length available. Din 6885 page 1 and age 2 difer mainly in the radial position of the parallel key (see sketch). • keyway type in the. Maximum 45 deg chamfer or. Minimum 45 deg chamfer or. Din 6885 Tolerance Keyway.
From sutajaya03pangeran.blogspot.com
Shaft And Hub Keyway Dimensions Bores and Keyways John King Chains Din 6885 Tolerance Keyway • keyway type in the. Web parallel keys din 6885 are only in packing units of 10 pieces for each size and length available. Maximum 45 deg chamfer or. Minimum 45 deg chamfer or radius r_1. Din 6885 page 1 and age 2 difer mainly in the radial position of the parallel key (see sketch). Web parallel keys din 6885. Din 6885 Tolerance Keyway.
From www.gsmachining.com
DIN 6885 EQUIPMENTGOLDSTONE GROUP CO.,LTD Din 6885 Tolerance Keyway Web keyway width p9 tight fit (standard design) js9 or n9 loose fit (standard design) other tolerances / tolerance ranges must be. • keyway type in the. Products with reference to this norm will. Web parallel keys din 6885 are only in packing units of 10 pieces for each size and length available. Maximum 45 deg chamfer or. Web din. Din 6885 Tolerance Keyway.
From maedlernorthamerica.com
Precision single universal joint WE DIN808 bore 16H7 with keyway DIN Din 6885 Tolerance Keyway Web keyway width p9 tight fit (standard design) js9 or n9 loose fit (standard design) other tolerances / tolerance ranges must be. Maximum 45 deg chamfer or. • keyway type in the. Web parallel keys din 6885 are only in packing units of 10 pieces for each size and length available. Web parallel keys din 6885 are only in packing. Din 6885 Tolerance Keyway.
From www.damencnc.com
8x7x30mm DIN 6885 A Parallel key, Steel C45 DamenCNC B.V. Din 6885 Tolerance Keyway Web din 6885/1 keyways d b p9/js9 hole b p9/n9 shafts h t2 t4 from 6 to 8 2 2 2 1 +0.1 1.2 +0.1 over 8 to 10 3 3 3 1.4 +0.1 1.8 +0.1. Maximum 45 deg chamfer or. • keyway type in the. Din 6885 page 1 and age 2 difer mainly in the radial position of. Din 6885 Tolerance Keyway.
From www.scribd.com
DIN 68851 Keyway Details and Dimensions PDF Din 6885 Tolerance Keyway Web din 6885/1 keyways d b p9/js9 hole b p9/n9 shafts h t2 t4 from 6 to 8 2 2 2 1 +0.1 1.2 +0.1 over 8 to 10 3 3 3 1.4 +0.1 1.8 +0.1. Web keyway width p9 tight fit (standard design) js9 or n9 loose fit (standard design) other tolerances / tolerance ranges must be. Minimum 45. Din 6885 Tolerance Keyway.
From maedlernorthamerica.com
Precision double universal joint WDR DIN 808 bore 20H7 with keyway DIN Din 6885 Tolerance Keyway Minimum 45 deg chamfer or radius r_1. Products with reference to this norm will. Web parallel keys din 6885 are only in packing units of 10 pieces for each size and length available. • keyway type in the. Web din 6885/1 keyways d b p9/js9 hole b p9/n9 shafts h t2 t4 from 6 to 8 2 2 2 1. Din 6885 Tolerance Keyway.
From www.damencnc.com
8x7x30mm DIN 6885 A Parallel key, Steel C45 DamenCNC B.V. Din 6885 Tolerance Keyway Web keyway width p9 tight fit (standard design) js9 or n9 loose fit (standard design) other tolerances / tolerance ranges must be. Maximum 45 deg chamfer or. Web parallel keys din 6885 are only in packing units of 10 pieces for each size and length available. Products with reference to this norm will. Web din 6885/1 keyways d b p9/js9. Din 6885 Tolerance Keyway.
From dokumen.tips
(PDF) RIMOSTAT®Torque Limiters RS RINGSPANN · Keyway as per DIN 6885 Din 6885 Tolerance Keyway Web parallel keys din 6885 are only in packing units of 10 pieces for each size and length available. Maximum 45 deg chamfer or. • keyway type in the. Web parallel keys din 6885 are only in packing units of 10 pieces for each size and length available. Web din 6885/1 keyways d b p9/js9 hole b p9/n9 shafts h. Din 6885 Tolerance Keyway.
From fdocuments.in
58405 Amironic 20170913آ DIN 6885 Js9 tolerance See Technical To Din 6885 Tolerance Keyway Maximum 45 deg chamfer or. Web keyway width p9 tight fit (standard design) js9 or n9 loose fit (standard design) other tolerances / tolerance ranges must be. Din 6885 page 1 and age 2 difer mainly in the radial position of the parallel key (see sketch). Web din 6885/1 keyways d b p9/js9 hole b p9/n9 shafts h t2 t4. Din 6885 Tolerance Keyway.
From www.impexron-gmbh.de
BT 40 FOR TRANSFLUID TURBO COUPLING SIZE 15, BORED WITH TOLERANCE H7 Din 6885 Tolerance Keyway Maximum 45 deg chamfer or. Minimum 45 deg chamfer or radius r_1. Web din 6885/1 keyways d b p9/js9 hole b p9/n9 shafts h t2 t4 from 6 to 8 2 2 2 1 +0.1 1.2 +0.1 over 8 to 10 3 3 3 1.4 +0.1 1.8 +0.1. Web keyway width p9 tight fit (standard design) js9 or n9 loose. Din 6885 Tolerance Keyway.
From www.elesa.com
ALLMÄNT Din 6885 Tolerance Keyway Web keyway width p9 tight fit (standard design) js9 or n9 loose fit (standard design) other tolerances / tolerance ranges must be. Minimum 45 deg chamfer or radius r_1. • keyway type in the. Web parallel keys din 6885 are only in packing units of 10 pieces for each size and length available. Products with reference to this norm will.. Din 6885 Tolerance Keyway.
From www.chinafastener.com
DIN 68853 Drivetype fastenings without taper actionParallel keys Din 6885 Tolerance Keyway Web din 6885/1 keyways d b p9/js9 hole b p9/n9 shafts h t2 t4 from 6 to 8 2 2 2 1 +0.1 1.2 +0.1 over 8 to 10 3 3 3 1.4 +0.1 1.8 +0.1. Web keyway width p9 tight fit (standard design) js9 or n9 loose fit (standard design) other tolerances / tolerance ranges must be. Maximum 45. Din 6885 Tolerance Keyway.